Productenbeschrijving

SpoorwegspoorspoorMoet hoge sterkte, hoge taaiheid en goede slijtvastheid hebben om ervoor te zorgen dat ze niet vervormen of beschadigd worden onder langdurige, hoogfrequente operatieomstandigheden.
Om de levensduur van de spoorwegrail te verlengen, zijn meestal een verscheidenheid aan onderhoudsmaatregelen vereist, zoals regelmatig slijpen van het spooroppervlak om de spoorvorm te herstellen en golfslijtage te elimineren.
Ultrasone inspectie door middel van foutdetectie -voertuigen of draagbare apparatuur om vroege scheuren te detecteren en in de tijd te vervangen; en implementatie van rail flipping of afwisselend gebruikstechnologie op zware load-secties om de algehele levensduur van het services te verlengen. Bovendien is de kwaliteit van spoorlassen enspoorwegrailsNaadbehandeling heeft ook een significante impact op het leven.
Productenbeschrijving
Zware stalen railparameters:
| Maat | Spoorhoogte | Onderste breedte | Hoofdbreedte | Gewicht kg\/m |
| 43 kg | 140 | 114 | 70 | 44.653 |
| 50kg | 152 | 132 | 70 | 51.514 |
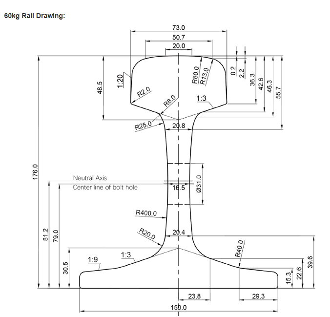
| 60 kg | 176 | 150 | 73 | 60.8 |
| 75 kg | 192 | 150 | 75 | 74.64 |
60 kg spoorparameters:

Productieproces:


Verpakking en levering:


Testlaboratorium:

Deelnemende tentoonstelling:

Bedrijfsinformatie
in one-stop-service
KnijperBied klanten one-stop-oplossingen van railselectie, specificatieaanpassing, verpakking en transport om de douaneverklaring te exporteren, waardoor klanten tijd en communicatiekosten kunnen besparen. Onze spoorwegproducten bedekken meerdere modellen van lightrail, medium rail en zware rail, inclusief maar niet beperkt tot GB -standaard, AREMA -standaard, EN -standaard, enz.

+
Onze partners





Ons certificaat




Populaire tags: Spoorweg P60 Heavy Steel Rail, China Spoorweg P60 Zware stalen railfabrikanten, leveranciers, fabriek










